Outdoor CT/PT combination oil immersed metering unit 30kV 33kV

  • Outdoor CT/PT combination oil immersed metering unit 30kV 33kV
Key attributes
Brand ROCKWILL
Model NO. Outdoor CT/PT combination oil immersed metering unit 30kV 33kV
Rated voltage 30kV
Rated frequency 50/60Hz
Rated current ratio 400/5
Series RBM
Product descriptions from the supplier
Description

Product Overview

The RBM Type Three-Phase Oil-Immersed Outdoor High-Voltage Power Metering Box is a precision-engineered power measurement solution designed for three-phase AC networks with rated voltages from 11–33kV and frequencies of 50/60Hz. This outdoor unit integrates combined transformer components to deliver accurate, reliable energy metering for a wide range of industrial, commercial, and utility applications. Built to withstand harsh environmental conditions, it is an ideal choice for global power infrastructure projects, substations, and remote site metering requirements.

Core Design

This metering box is constructed from a robust combination of transformers and a metering enclosure, optimized for outdoor deployment:
  • Integrated Transformer Assembly: The core unit consists of three voltage transformers and three current transformers, pre-assembled into a single compact module for simplified installation and maintenance.
  • High-Quality Core Materials:Voltage transformers feature outer cores made from premium cold-rolled oriented silicon steel, stacked in a multi-step columnar configuration, with primary and secondary coils mounted on the core legs.Current transformers utilize an iron-core design, also constructed from high-grade cold-rolled oriented silicon steel, with primary and secondary coils integrated into the core structure.
  • Insulation & Protection: All transformer components are mounted on a support pallet, suspended from the unit’s lid, and fully immersed in transformer oil for superior insulation and heat dissipation. Porcelain bushings with conductive bars provide secure, weather-resistant connections for high-voltage and current transformer wiring.
  • Structural Features: The unit includes high-voltage and secondary lead bushings mounted on the top cover, a drain plug for oil maintenance, and grounding bolts on the tank side for safety and compliance.

Technical data

Type
Voltage Ratio
(kV)
Current Ratio
(A)
Frequency
(HZ)
VT accurate Durban (VA)
CT accurate Durban (VA)
Insulation level (kV)
CL0.2
CL0.2
CL0.2
CL0.2
RBM-11
11/0.11
5-300/5
50/60
25
25
10
10
11/42/75/95
RBM-33
33/0.11
5-300/5
50/60
50
50
10
10
33/95/185/200

Key Application Scenarios

The RBM metering box is specifically designed for accurate energy measurement in diverse outdoor environments, including:
  • Rural irrigation and drainage stations, township enterprises, processing plants, and small-to-medium industrial facilities
  • Mining operations, transportation hubs, public institutions, and forestry infrastructure
  • Temporary on-site metering for high-voltage transmission lines and power station construction projects
  • Remote and off-grid power systems requiring reliable, maintenance-free metering solutions

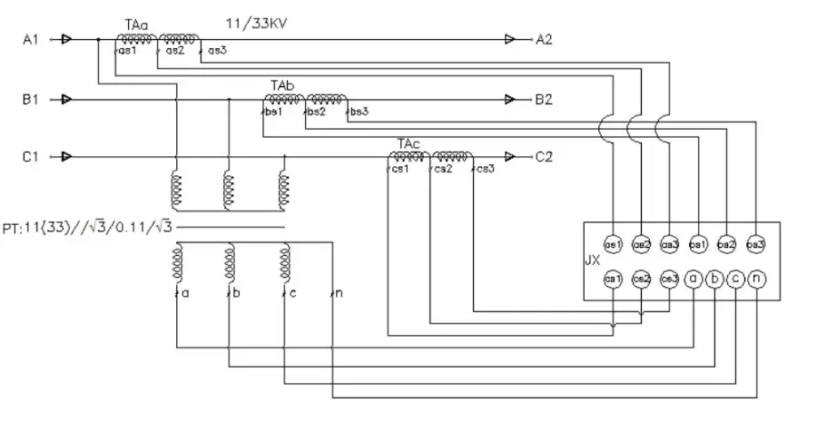
Wiring principle

Outdoor CT/PT combination oil immersed metering unit 33kV

External form diagram of electric meter tank

Outdoor CT/PT combination oil immersed metering unit 33kV

Outdoor CT/PT combination oil immersed metering unit 33kV

Send inquiry
+86
Click to upload file
Download
Experts Electrical is dedicated to serving the personnel in the global power industry.
Join Experts Electrical, not only can you discover power equipment and power knowledge, but also canhnd like - minded friends!
App Store
Download
Get the IEE Business Application
Use the IEE-Business app to find equipment, obtain solutions, connect with experts, and participate in industry collaboration anytime, anywhere—fully supporting the development of your power projects and business.
Email
E-mail
WhatsApp
WhatsApp
Chat
Chen/CEO